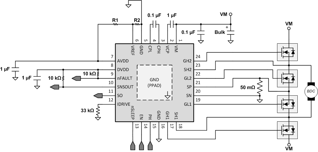
Full Bridge Gate Driver
Our portfolio spans a variety of configurations, voltage classes, isolation levels, protection features, and package options. State-of-the-art discrete switch families of and silicon MOSFETs, IGBTs, Gallium Nitride HEMTs, and Silicon Carbide MOSFETs as well as such as Easy, Econo power modules, require tuning of gate drive circuits to take full advantage of their capacity and capabilities. An optimum gate drive configuration is essential for all power switches, whether they are in discrete form or in a power module. Our EiceDRIVER™ gate drivers provide advanced features such as integrated bootstrap diode(BSD), over current protection, shutdown, fault reporting, enable, input filter, OPAMP, DESAT, programmable deadtime, shoot through protection, active miller clamp, active shutdown, separate sink and source outputs, short circuit clamping, soft shutdown, two level turn off, galvanic isolation(functional, basic and reinforced), etc. This might also be of interest for you.
Introduction In the of the series we’ve gone through the high-level design decisions that you have to make when designing an H-Bridge, and we’ve discussed the considerations for selecting the MOSFETs and the catch diodes that will make up the bridge. In this article I will go through the available options for drive circuits. We will discuss the trade-offs between them and what influences the various parameters of the drive circuits. You will take the most out of this write-up if you are already fairly familiar with H-Bridge basics, so if you aren’t, I suggest you read the of the series first. Understanding of the various drive-modes will also be useful, so reading the, the and the articles isn’t a waste of time either, though those pieces go into quite a bit of more detail than what is needed to follow this text. To make referencing easier, let’s review the H-Bridge circuit: and our motor model: Drive circuitry The drive circuitry for an H-Bridge is basically the electronics that sits between the PWM (and potentially other) digital control inputs and the MOSFET gates. Thank you very much.
Really very informative! I just have a question about N-MOS high-side drive circuits: Is it possible to apply a second voltage higher than V_bat from a second power supply. I mean if the main power supply is 40v,there should be another one higher no more than 20v (55v) to drive the N-MOS high-side gate?I did the simulation and it worked. I will try that sooner in real. While googling I didn’t find info about this.
Analog Devices offers cost-effective, half-/full-bridge MOSFET drivers for motor control, PWM of high current inductive loads, and high current transducer drivers. Unique, adaptive, nonoverlapping gate drives prevent shoot-through currents, which greatly eases the design of high efficiency motor control and switching regulator systems. Mar 24, 2005 - designed for driving the MOSFETs in a full bridge configuration. Moment the gate drive voltage is equal to the voltage on pin VDD for the low.

Does it have any disadvantages apart cost?? Like in turn off, turn on shoot through? Short answer: Don’t try it! It will blow your FET. Long answer: Well, actually it is possible to do and for low voltages that’s quite common. For example (DC-DC power supplies are actually quite close to H-bridges in this regard) old PC motherboards, where the CPU core voltage was regulated down from 5V, the high-side drivers were often driven from 12V. Exactly what you’re saying.
Doing this above, say 20V however is getting tricky: the problem is that the source of the high-side N-FET is connected to the load. When the low-side is on, it drags the high-side source to (close to) GND.
Now, when you get to turn on the high-side FET, you apply in your example 50V to the gate, while the source is at GND. Not many MOSFETs can survive that, most of them are specified for a Vgs no more than +-20V, maybe even less. In other words, you will only be able to use your technique when Vbat (the power supply to the bridge and the load) is less than Vgs_max-Vgs_on. To turn a high-power MOSFET on, you need a Vgs ~= 10V or so, and if Vgs_max is (say) 20V, than you can only use your idea with Vbat.
Currently It supports 55 formats of video downloads. It can download Vevo videos, age-restricted videos, region protected videos. GenYoutube provides Youtube video downloads in mp4, webm, m4a, 3gp and 3D formats which ranges from mobile friendly to HDTV resolution. It also supports new formats which recently Youtube rolled out. Unnai thedi tamil movie video song download.
Really I thank you very much for such information.and your answer. I spent last night in your site reading and reading.till now I am always connected to it. I have many tabs in my firefox:).I even repeated reading and I will do till I understand. What I need about mosfet and h-bridge is really explained very well and in an easy way. Thanks again for your answer.
About H BRIDGE I don’t want ready made IC to drive the N-MOS.i want to experiment by myself like you did:).I want to drive bipolar stepper motor with all possible options like chopper and microstep but without ready made IC.and with variable powerfull power supply till 50v to test various stepper motors, I want use only P&N MOS as driver. Before being in your site I was reading a lot elsewhere,but last night your site explained to me many things, and I know now why I already blew many FETs before 🙂. I’ve been working on something similar, and posted it on the Arduino Forums for extra tips, as well as fixing an enormous D-S voltage drop I experience in simulation. I’m getting a lot of flak about tying the gates together, and everyone is saying my schematic is total garbage. I actually haven’t received any of the information I was looking for. I’m getting some good information, like a potential short caused by the two mosfets switching simultaneously. But other than that, the Arduino Forums, in my experience, are more likely to insult you for trying.
